| 三、职业性肺疾病 | 《病理学》 |
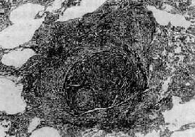
三、职业性肺疾病在职业活动、特别是生产过程中,因长期吸入有害粉尘,引起以肺广泛纤维化为主要病变的疾病,统称尘肺(pneumoconiosis)。尘肺是我国一种法定职业病。属职业性尘肺的病种较多,按粉尘的化学性质可将其分为无机尘肺和有机尘肺两大类。无机尘肺中常见的有硅肺、煤工尘肺、石棉肺等。有机尘肺是因吸入各种有机尘埃,最常见的是由霉菌的代谢产物或动物性蛋白质引起的尘肺,如农民肺、蔗尘肺、蘑菇肺、麦芽肺和饲禽者肺等。尘肺对健康危害极大,关键在于预防。改革不合理的生产过程,建立粉尘监测制度,切实落实综合防尘措施。不接触粉尘或减少吸入粉尘的机会,对于粉尘作业工人定期体检,做到早期检查、早期诊断,对已确诊为尘肺患者及早调离粉尘作业,并进行必要的治疗,完全可以控制和减少尘肺的发病率。 (一)矽肺 矽肺(silicosis)是在生产环境中长期吸入大量含游离二氧化硅(SiO2)粉尘微粒所引起的以肺纤维化为主要病变的全身性疾病。游离二氧化硅主要存在于石英中,石英成分中SiO2占97%~99%。约有70%的矿石中均含有较多的SiO2。长期从事开矿、采石作业、坑道作业以及在石英粉厂、玻璃厂、耐火材料厂、陶瓷厂和搪瓷厂生产作业的工人易患本病。矽肺是危害最严重的一种职业病,其特点是发展缓慢,即使在脱离矽尘作业后,病变仍然继续缓慢发展。患者多在接触矽尘10~15年后才发病。若因吸入高浓度、高游离二氧化硅含量的矽尘,经1~2年后发病者,称速发型矽肺。矽肺的早期即有肺功能损害,但因肺的代偿能力很强,患者往往无症状,随着病变的发展,尤其是合并肺结核和肺心病时,则逐渐出现不同程度的呼吸和心功能障碍。 【病因和发病机制】 游离二氧化硅是矽肺的致病因子。矽肺的发生、发展与矽尘中游离二氧化硅的含量,生产环境中矽尘的浓度、分散度,从事矽尘作业的工龄及机体防御功能等因素有关。矽尘粒子愈小,分散度愈度,在空气中的沉降速度愈慢,被吸入的机会就愈多,致病作用亦愈强。一般来说,大于5μm的矽尘往往被阻留在上呼吸道,并可被呼吸道的防御装置清除。小于5μm的矽尘才能被吸入肺泡,并进入肺泡间隔,引起病变。尤以1~2μm的矽尘微粒引起的病变最为严重。 吸入肺泡内的矽尘微粒被肺巨噬细胞吞噬,沿肺淋巴流经细支气管周围、小血管周围、小叶间隔和胸膜再到达肺门淋巴结。当淋巴道阻塞后,矽尘沉积于肺间质内引起矽肺病变。若局部沉积的矽尘量多,引起肺巨噬细胞局灶性聚积,可导致矽结节形成;若矽尘散在分布,则引起弥漫性肺间质纤维化。矽肺的发病机制尚未完全阐明。一般认为,矽尘被肺巨噬细胞吞噬后,在游离二氧化硅的毒性作用下,巨噬细胞大量死亡崩解或发生功能和生物学行为改变,释放出一些致纤维化因子、包括巨噬细胞生长因子(MDGF),白细胞介素Ⅰ(IL-1)和纤维连结蛋白(FN)等,促进成纤维细胞增生和胶原形成,导致纤维化。至于巨噬细胞死亡的原因,主要是由于矽尘被巨噬细胞吞噬后,存在于次级溶酶体中,矽尘表层中的SiO2逐渐与水聚合成硅酸(系一种强的成氢键化合物),其羟基基团与溶酶体膜脂蛋白结构上的受氢原子(氧、氮或硫)间形成氢键,改变了溶酶体膜的脂质分子构型,从而破坏了膜的稳定性或完整性。溶酶体膜通透性增高或破裂,其中所含的大量水解酶溢出到细胞内,导致巨噬细胞自溶崩解。巨噬细胞死亡崩解后,释出的矽尘又被其它巨噬细胞吞噬,如此反复进行,使病变不断发展、加重。这也可解释何以患者脱离矽尘作业后肺部病变仍然会继续发展的缘由。 随着免疫学的发展,大量关于矽肺免疫的研究表明,在矽肺发生、发展过程中,有免疫因素参与。根据对矽结节玻璃样变组织的生化分析,其中球蛋白含量明显高于胶原含量,而有别于一般的玻璃样变组织的成分。动物实验证明,矽肺病变的纤维化程度与浆细胞反应强度呈正相关,提示矽肺的纤维化与抗原抗体反应有关。用荧光免疫组织化学方法观察矽结节,发现在胶原纤维及其间隙中有大量γ-球蛋白沉积,主要是IgG和IgM。如将尸检取得的矽结节玻璃样变组织制成匀浆,给家兔注射后,能产生抗人γ-球蛋白抗体。有人认为,浆细胞产生的免疫球蛋白通过形成抗原抗体复合物参与矽肺的发病。对矽肺患者作体液免疫测定发现,血清中IgG和IgM浓度增高,抗肺自身抗体、抗核抗体和类风湿因子检出率也较高。但关于矽肺免疫的抗原物质目前还未提取出来,多认为有3种可能性:①矽尘作为半抗原与机体的蛋白质结合构成复合抗原;②矽尘表面吸附的γ-球蛋白转化为自身抗原;③矽尘导致巨噬细胞死亡崩解后释放自身抗原。现已有很多证据表明,巨噬细胞死亡崩解后释放抗原的可能性最大。总之,矽肺的病因是明确的,发病机制极为复杂,在发病过程中可能有多种因素参与,它们互相影响、互为因果,共同促进矽肺的发生和发展。 【病理变化】 矽肺的基本病变是肺组织内矽结节形成和弥漫性间质纤维化。矽结节是矽肺的特征性病变,结节境界清楚,直径2~5mm,呈圆形或椭圆形,灰白色,质硬,触之有砂样感。随着病变的发展,结节可融合成团块状,在团块的中央,由于缺血、缺氧而发生坏死、液化,形成矽肺性空洞(silicotic cavity)。矽结节的形成过程大致分为三个阶段:①细胞性结节,由吞噬矽尘的巨噬结胞局灶性聚积而成,巨噬细胞间有网状纤维,这是早期的矽结节;②纤维性结节,由纤维母细胞、纤维细胞和胶原纤维构成;③玻璃样结节,玻璃样变从结节中央开始,逐渐向周围发展,往往在发生玻璃样变的结节周围又有新的纤维组织包绕。镜下,典型的矽结节是由呈同心圆状或旋涡状排列的、已发生玻璃样变的胶原纤维构成(图9-22)。结节中央往往可见内膜增厚的血管。用偏光显微镜观察,可以发现沉积在矽结节和肺组织内呈双屈光性的矽尘微粒。除矽结节外,肺内还有不同程度的弥漫性间质纤维化(图9-23),范围可达全肺2/3以上。此外,胸膜也因纤维组织弥漫增生而广泛增厚,在胸壁上也可形成胸膜胼胝,甚至可厚达1~2cm。肺门淋巴结内也有矽结节形成和弥漫性纤维化及钙化,淋巴结因而肿大、变硬。
图9-22 矽肺 矽结节,由呈旋涡状排列的已发生玻璃样变的胶原纤维构成
图9-23 矽肺 肺组织呈弥漫性纤维化 矽尘沿血道转运,可在肝、脾、骨髓等处形成矽结节。 矽肺的分期和病变特征 根据肺内矽结节的数量、分布范围和直径大小,可将矽肺分为三期: Ⅰ期矽肺:矽结节主要局限在淋巴系统。肺组织中矽结节数量较少,直径一般在1~3mm,主要分布在两肺中、下叶近肺门处。X线检查,肺野内可见一定数量的类圆形或不规则形小阴影,其分布范围不少于两个肺区。此时,肺的重量、体积和硬度无明显改变。胸膜上可有矽结节形成,但胸膜增厚不明显。 Ⅱ期矽肺:矽结节数量增多、体积增大,可散于全肺,但仍以肺门周围中、下肺叶较密集,总的病变范围不超过全肺的1/3。X线表现为肺野内有较多量直径不超过1cm的小阴影,分布范围不少于四个肺区。此时,肺的重量、体积和硬度均有增加,胸膜也增厚。 Ⅲ期矽肺(重症矽肺):矽结节密集融合成块。X线表现有大阴影出现,其长径不小于2cm,宽径不小于1cm,此时,肺的重量和硬度明显增加。解剖取出新鲜肺标本可竖立不倒(图9-24),切开时阻力甚大,并有砂粒感。浮沉试验,全肺入水下沉。团块状结节的中央可有矽肺空洞形成。结节之间的肺组织常有明显的灶周肺气肿,有时肺表面还可见到肺大泡。
图9-24 Ⅲ期矽肺并发肺心病 两肺坚实能竖立,胸膜增厚。右心显著肥大、扩大,心尖由右心构成 【合并症】 1.矽肺结核病 矽肺合并结核病时称为矽肺结核病(silicotuberculosis)。愈是晚期、重症矽肺,肺结核的合并率愈高。Ⅲ期矽肺的合并率达60%~70%或更高。矽肺患者易合并肺结核可能是因游离二氧化硅对巨噬细胞的毒性损害以及肺间质弥漫性纤维化,导致肺的血液循环和淋巴循环障碍,从而降低了肺组织对结核杆菌的防御能力之故。矽肺结核病时,矽肺病变和结核病变可分开存在,也可混合存在(9-25)。矽肺结核病的病变比单纯矽肺和单纯肺结核的病变发展更快,累及范围更广,更易形成空洞。矽肺结核性空洞的特点是数目多,直径大,空洞壁极不规则。较大的血管易被侵蚀,可导致患者大咯血死亡。
图9-25 矽肺结核病 图中可见胸膜增厚,切面上可见矽肺引起的肺气肿小囊泡。右侧白色斑块为结核病灶 2.肺感染由于矽肺患者抵抗力低,又有慢性阻塞性肺疾病,小气道引流不畅,故易继发细菌或病毒感染。尤其在有弥漫性肺气肿的情况下,肺感染可诱发呼吸衰竭而致死。 3.慢性肺源性心脏病 约有60%~75%的矽肺患者并发肺心病。这是因为肺间质弥漫性纤维化,肺毛细血管床减少,肺循环阻力增加。同时,矽结节内小血管常因闭塞性血管内膜炎,管壁纤维化,使管腔狭窄乃至闭塞,血管也扭曲、变形,尤以肺小动脉的损害更为明显,加之因呼吸功能障碍造成的缺氧,引起肺小动脉痉挛,均可导致肺循环阻力增加、肺动脉高压和右心室肌壁肥厚,心腔扩张。重症患者可因右心衰竭而死亡。 4.肺气肿和自发性气胸晚期矽肺患者常有不同程度的弥漫性肺气肿,主要是阻塞性肺气肿。有时,在脏层胸膜下还可出现肺大泡。气肿囊腔破裂引起自发性气胸。 (二)石棉肺 石棉肺(asbestosis)是因长期吸入石棉粉尘引起的以肺间质纤维化和胸膜肥厚为主要病变的疾病。石棉是一种天然的矿物结晶,其化学成分是含有铁、镁、铝、钙、镍等元素的硅酸盐复合物。石棉纤维具有耐酸、碱,隔热,绝缘等特性,在工业上用途很广。石棉矿的开采、选矿、运输工,石棉加工厂的分类、弹棉工,石棉制品的绝缘、隔热材料制品工等都可因长期吸入石棉粉尘而发生职业性石棉肺。发病工龄一般在10年左右。临床上,患者主要出现慢性支气管炎、肺气肿的症状,如咳嗽、咳痰、气急、胸胀痛等,晚期出现肺功能障碍和肺心病的症状和体征,患者痰内可检见石棉小体。 【发病机制】 吸入的石棉粉尘多数停留在呼吸性细支气管,仅有部分抵达肺泡,进入肺间质,有的还可被运输到脏层胸膜,引起肺间质和胸膜的结缔组织增生。至于纤维化形成的机制还不太清楚,可能主要是由于石棉纤维直接刺激纤维母细胞,促使脯氨酸羟化为羟脯氨酸,加速胶原合成,因而形成纤维化。除直接刺激作用外,也可能与石棉对巨噬细胞的毒性损害有关。虽然石棉对巨噬细胞的毒性作用比二氧化硅小,但石棉中的Mg2+对细胞膜也有溶解损伤作用。此外,石棉肺患者血清中IgM、IgG、抗核抗体和类风湿因子含量较高,肺内有异常球蛋白沉积,因而推测纤维化的形成,可能是巨噬细胞崩解,形成变性蛋白,引起自身免疫反应的结果。 【病理变化】 石棉肺的病变特点是肺间质弥漫性纤维化,其中可见石棉小体以及脏层胸膜肥厚和在壁层胸膜形成胸膜斑。因为吸入肺内的石棉纤维易随气流沿支气管长轴进入肺下叶,故肺病变以两肺下部为重,不同于矽肺病变以两肺中部为重的特点。 肉眼观,肺缩小、变硬,早期病变主要发生于两肺下部。由于细支气管周围、肺泡壁及小叶间隔内纤维组织增生,使肺呈明显的纤维网状结构。晚期,肺间质纤维化更广泛,更明显,肺组织陷于弥漫性纤维化。常因伴有明显的肺气肿和支气管扩张,肺组织可出现蜂窝状改变。肺胸膜尤其是下叶胸膜高度肥厚,晚期肺胸膜的纤维性增厚更广泛,甚至全肺均为灰白色的纤维瘢痕组织包裹。胸膜斑(pleural plaques)是指发生于壁层胸膜上的局限性纤维瘢痕斑块,境界清楚,凸出于胸壁,质地坚硬,呈灰白色、半透明而有光泽,状似软骨。胸膜斑常常位于两侧中、下胸壁,呈对称性分布。 镜下,早期病变为石棉粉尘引起的脱屑性间质性肺炎变化,表现为Ⅰ型肺泡上皮细胞受损,Ⅱ型肺泡上皮增生,后者呈立方形覆盖于肺泡表面。肺泡腔内有大量脱落的肺泡上皮细胞和巨噬细胞聚积。细支气管壁及其周围和血管周围的结缔组织中,以及肺泡间隔内有大量淋巴细胞和单核细胞浸润,有时也有一些嗜酸性粒细胞、浆细胞浸润。肺间质细胞增生,小动脉呈现闭塞性动脉内膜炎。随后,细支气管、血管周围及肺泡间隔内纤维结缔组织增生,到晚期则发展为肺组织弥漫性纤维化,大多数肺泡闭塞,由纤维组织填充。同时也可见一些衬以立方上皮的肺泡(腺样肺泡)。细支气管和小血管被包裹于纤维组织内,管壁纤维性增厚,管腔狭窄乃至闭塞。在增生的结缔组织纤维间散在着一些石棉小体(asbestos bodies),乃表面有铁蛋白沉积的石棉纤维,其长短不一(长者可超过100μm,短者仅数微米),黄褐色,呈哑铃状、分节状或蝌蚪形(图9-26),铁反应阳性。在石棉小体旁可见异物巨细胞。在弥漫性纤维化的肺组织中查见石棉小体是病理诊断石棉肺的重要依据。
图9-26 石棉肺 图中央可见典型石棉小体,两端肥大,呈分节状,周围为尘细胞 【合并症】 动物实验和临床观察已证实,石棉属于促癌物质。近年来很多报道表明,石棉肺患者易并发肺癌、恶性胸膜和腹膜间皮瘤、食管癌、胃癌、结肠癌、喉癌等恶性肿瘤。据统计,石棉肺合并肺癌者可高达12%~17%,且多发于肺下叶。吸烟的石棉工人患肺癌的危险性比不吸烟人群高53~92倍。石棉肺合并恶性胸膜间皮瘤者也相当多见。有报告称,52例间皮瘤患者中约80%有接触石棉粉尘的职业史。从接触石棉粉尘到发现恶性间皮瘤的期限较长,平均42年。 石棉肺合并肺结核的频率约10%,远低于矽肺,而且多数病情较轻。此外,石棉肺易合并呼吸道感染、自发性肺气肿。晚期常并发肺源性心脏病和呼吸衰竭。 (三)农民肺 农民肺(farmer’s lung)是因吸入含有高温放线菌的有机粉尘而引起的一种外源性过敏性肺泡炎(extrinsic allergic alveolitis)。患者多系农业生产者,有经常接触发霉的稻草、麦秸和谷类等职业史。急性期时,典型病例在吸入含高温放线菌有机粉尘后4~8小时发病,出现畏寒、发热、呼吸困难或喘息、咳嗽、有少量粘液痰、乏力、全身肌肉酸痛、两肺可闻及湿啰音等症状和体征。急性期症状持续1~2天后可自行缓解,患者往往自认为是劳动后“受凉、感冒”,但也有的患者起病隐袭,呈现类似慢性支气管炎的症状。慢性期时,因反复发病,病变发展为弥慢性肺间质纤维化,并常并发肺心病,患者出现不同程度的心、肺功能障碍的症状和体征,重症患者可因呼吸衰竭和心力衰竭而死亡。农民肺的发病率,世界各地报告不同,一般为2.3%~8.6%。根据对湖北省洪湖县农民和城镇居民抽样调? ■[此处缺少一些内容]■
|
返回目录 |